01
FCRV Ceramic C Rotary Valve
FCRV CERAMIC C ROTARY VALVE

- The ball crown of the valve maintains close contact with the seat, allowing for the shearing of adhered materials and debris on the sealing pair, ensuring the cleanliness of the sealing surfaces. The inherent self-lubricating properties of ceramics ensure that the ball core and the seat do not stick to the medium. The design adopts a structural configuration with upper and lower support shafts for positioning. The support shafts are statically fitted with the valve body, preventing any tilting of the C-rotary. The valve stem is set inside the upper support shaft, and the thrust of the medium on the C-rotary is borne by the upper and lower support shafts, with the valve stem only transmitting the torque for opening and closing the ball valve.
Structural characteristics
- Special C-type structure design with ball core mechanically connected and embedded by C-type lugs and ceramic ball crown, protecting lugs from erosion.Concentric design keeps ceramic ball crown in close contact with the seat, scraping off adhered materials and ensuring sealing performance.C-type lugs directly bear rotational torque, ideal for harsh conditions with crystallization, scaling, caking, high solid content, and clogging.Cavity-free design prevents material accumulation inside the valve.Fixed ball design prevents ball core movement under pressure, resulting in low operating torque, achieving ANSI Class VI sealing.All flow passages in contact with the medium are lined with ceramic, ensuring corrosion resistance.Anti-blowout stem design ensures valve safety and reliability.

Main Technical Parameters
| Nominal diameter | Ball bore | Shape | DN40 (1 1/2") | DN50 (2") | DN65 (2 1/2") | DN80 (3") | DN100 (4") | DN125 (5") | DN150 (6") | DN200 (8") | DN250 (10") | DN300 (12") | DN350 (14") |
| DN50 | 2" | round | 62 | ||||||||||
| DN65 | 2 1/2" | round | 62 | 97 | |||||||||
| DN80 | 3" | round | 60 | 95 | 155 | ||||||||
| DN100 | 4" | round | 55 | 90 | 152 | 249 | |||||||
| DN125 | 5" | round | 86 | 145 | 249 | 389 | |||||||
| DN150 | 6" | round | 137 | 238 | 380 | 608 | |||||||
| DN200 | 8" | round | 230 | 366 | 600 | 875 | |||||||
| DN250 | 10" | round | 354 | 588 | 865 | 1377 | |||||||
| DN300 | 12" | round | 567 | 850 | 1350 | 2515 | |||||||
| DN350 | 14" | round | 839 | 1322 | 2465 | 3383 | |||||||
| DN400 | 16" | round | 1280 | 2385 | 3296 | 4651 |
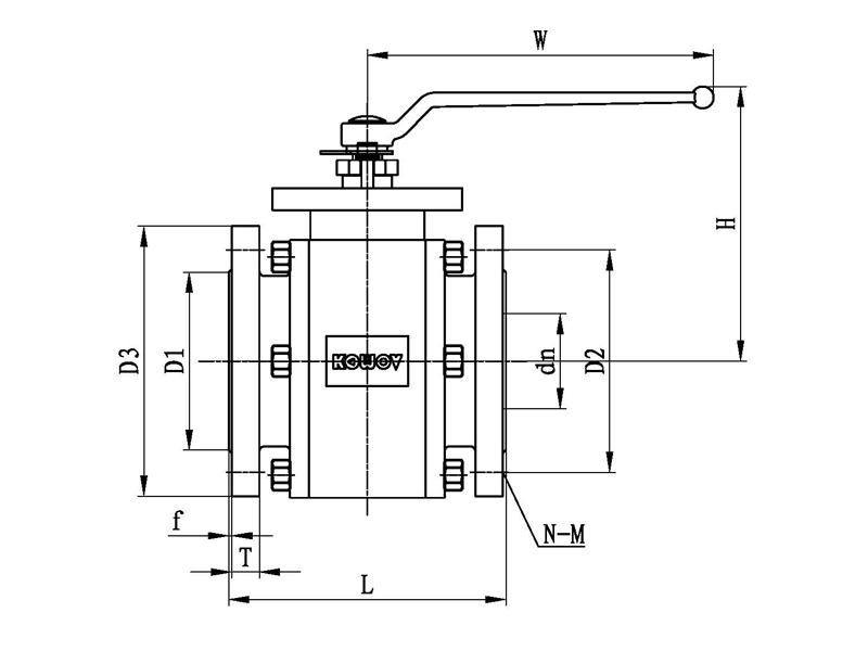
| Nominal diameter | Exterior Size | GB PN10 Flange Dia. | HG PN10 Flange Dia. | Weight (Kg) | ||||||||||||||
| Inch | mm | dn | L | W | H | D1 | D2 | D3 | N-M | T | f | D1 | D2 | D3 | N-M | T | f | |
| 1/2" | 15 | 15 | 108 | 166 | 94 | 45 | 65 | 95 | 4-M12 | 14 | 2 | 45 | 65 | 95 | 4-M12 | 14 | 2 | 4.5 |
| 3/4" | 20 | 15 | 117 | 166 | 94 | 58 | 75 | 105 | 4-M12 | 16 | 2 | 58 | 75 | 105 | 4-M12 | 16 | 2 | 6 |
| 1" | 25 | 20 | 127 | 166 | 97 | 68 | 85 | 115 | 4-M12 | 16 | 2 | 68 | 85 | 115 | 4-M12 | 16 | 2 | 7 |
| 1 1/4" | 32 | 25 | 140 | 166 | 104 | 78 | 100 | 140 | 4-M16 | 16 | 2 | 78 | 100 | 140 | 4-M16 | 16 | 2 | 15 |
| 1 1/2" | 40 | 32 | 165 | 237 | 125 | 88 | 110 | 150 | 4-M16 | 16 | 3 | 88 | 110 | 150 | 4-M16 | 16 | 3 | 23 |
| 2" | 50 | 40 | 178 | 237 | 134 | 102 | 125 | 165 | 4-M16 | 18 | 3 | 102 | 125 | 165 | 4-M16 | 18 | 3 | 32 |
| 2 1/2" | 65 | 50 | 190 | 237 | 145 | 122 | 145 | 185 | 8-M16 | 19 | 3 | 122 | 145 | 185 | 8-M16 | 19 | 3 | 39 |
| 3" | 80 | 65 | 203 | 270 | 169 | 138 | 160 | 200 | 8-M16 | 21 | 3 | 138 | 160 | 200 | 8-M16 | 21 | 3 | 45 |
| 4" | 100 | 80 | 229 | 191 | 158 | 180 | 220 | 8-M16 | 22.3 | 3 | 158 | 180 | 220 | 8-M16 | 22.3 | 3 | 59 | |
| 5" | 125 | 100 | 254 | 407 | 188 | 210 | 250 | 8-M16 | 23 | 3 | 188 | 210 | 250 | 8-M16 | 23 | 3 | 69.5 | |
| 6" | 150 | 100 | 267 | 407 | 212 | 240 | 285 | 8-M20 | 26 | 3 | 212 | 240 | 285 | 8-M20 | 26 | 3 | 90 | |
| 8" | 200 | 150 | 419 292 | 520 248 | 268 | 295 | 340 360 | 8-φ22 8-M20 | 22 33 | 2 3 | 268 262 | 295 290 | 340 360 | 8-φ22 8-M20 | 22 33 | 2 3 | 200 | |
| 10" | 250 | 200 | 457 | 580 | 320 | 350 | 395 | 12-M20 | 24 | 2 | 320 | 350 | 395 | 12-M20 | 24 | 2 | 290 | |
| Item | Y-ZrO Y-TZP | Mg-ZrO₂ M-PSZ | 90 Al₂O₃ | 95 Al₂O₃ | 99 Al₂O₃ | Si₃N₄ | SiC | Common ceramics | Carbide alloy | 45# Steel |
|
Density g/cm³ |
6.0~6.05 | 5.72~5.74 | 3.45~3.55 | 3.6~3.75 | 3.9~3.95 | 3.2~3.33 | 3.15~3.25 | 3.0~3.5 | 14~18 | 7.8 |
|
Hardness HRA/C |
87 | 85 | 90 | 90 | 92 | 92 | 94 | 50~60 | 70 | 36 |
|
Flexural Strength MPa |
1150 | 900 | 350 | 370 | 450 | 1200 | 470 | 20~50 | 2000 | 804 |
|
Fracture Toughness (KIC) MPa√m |
10~12 | 13~15 | 3.4 | 3.6 | 4.5 | 7 | 4 | -- | 20 | 101 |
|
Compressive Strength MPa |
2000 | 1800 | 1700 | 2000 | 2200 | 2800 | -- | -- | 4000 | 2000 |
|
Thermal Shock Resistance °C |
87 | 110 | -- | -- | 50 | 200 | 75 | -- | 500 | 500 |
|
Thermal Expansion Coefficient ×10⁻⁶/°C |
9.6 | 10 | 7.6 | 7.8 | 8.3 | 3.4 | 4 | -- | 7 | 12 |
|
Modulus of Elasticity GPa |
200 | 200 | 310 | 330 | 350 | 300 | 400 | -- | 600 | -- |
|
Crushing Load KN (Φ6mm) |
15 | 10 | 3.5 | 3.6 | 4 | 18 | 3.5 | -- | -- | -- |
|
Using Temperature °C |
<160 | <1000 | <1200 | <1250 | <1500 | <1500 | <1500 | -- | -- | <560 |
|
Water Absorption |
0 | 0 | 0.02% | 0.01% | 0.00% | 0 | 0.50% | 5~10% | -- | -- |
|
Corrosion Prevention |
Good | Good | Good | Good | Good | Good | Good | Flooey | Good | Flooey |
*Data sources: test results or issued original documents.

ANTI-CORROSIVE PERFORMANCE REFERENCE TABLE
| Media | Temperature | ZrO₂ | 99.9% Al₂O₃ | SiC | Si₃N₄ | Graphite | PTFE | Fluororubber | SS304 | SS316 | HC |
| 20% HCL | 60°C | A | A | A | B | A | A | A | C | C | B |
| 20% HCL | 95°C | A | A | A | C | A | A | A | -- | -- | C |
| 90% H₂SO₄ | 60°C | A | A | A | A | A | A | A | C | C | B |
| 90% H₂SO₄ | 95°C | A | A | A | B | A | A | A | C | C | C |
| 60% H₃PO₄ | 60°C | A | A | A | C | A | A | A | C | C | A |
| 60% H₃PO₄ | 95°C | A | A | A | C | A | A | A | C | C | A |
| 10% HF | 60°C | C | B | A | A | A | A | A | C | C | B |
| 46% HF | 95°C | C | C | A | C | A | A | A | -- | -- | C |
| 60% HNO₃ | 60°C | A | A | A | C | B | A | A | A | A | C |
| 60% HNO₃ | 95°C | A | B | A | C | B | A | A | B | B | C |
| 30% NaOH | 60°C | A | B | A | B | A | A | A | A | A | A |
| 30% NaOH | 95°C | B | B | A | C | A | A | A | A | B | A |
A ≤ 0.1mmg/cm²/day: Can be ignored or has no corrosion, recommended for use.
B = 0.1~0.3mmg/cm²/day: Slight or very minor corrosion, use with caution.
C ≥ 0.3mmg/cm²/day: Significant corrosion, not recommended for use.
-- : Intense corrosion, to the extent that measurement is not possible.
Flow Characteristic Sheet of Ceramic Ball Valve
| Core Specifications | O-type ball core | V60° ball core | V45° ball core | V30° ball core |
| DN15 | 10 | 7 | 4 | 3 |
| DN20 | 18.2 | 12 | 8 | 5 |
| DN25 | 29 | 18 | 12 | 8 |
| DN32 | 47 | 30 | 20 | 13 |
| DN40 | 73 | 46 | 31 | 21 |
| DN50 | 114 | 72 | 48 | 32 |
| DN65 | 181 | 115 | 76 | 51 |
| DN80 | 292 | 185 | 123 | 82 |
| DN100 | 456 | 289 | 192 | 128 |
| DN125 | 712 | 452 | 300 | 201 |
| DN150 | 1025 | 650 | 432 | 289 |
| DN200 | 1822 | 1156 | 769 | 514 |
Typical Applications

- ● Titanium Dioxide (TiO₂) Industry:o Acidic slurries in the sulfate process for TiO₂ production.o TiCl₄ slurry and sludge in the chloride process.o Chlorine with biochemical substances and TiO₂ powder.● Salt Chemical Industry:o Salt sludge, caustic mud, carbide residue slurry, waste sludge, sand-removed ammonia wastewater.● Petrochemical Industry:o Molecular sieve pipelines in catalyst production units.o Fluidized catalytic cracking units (Al₂O₃ powders).● Mining & Metallurgy:o Transport and blending of copper concentrates; safety valves for copper transport bins.● Dye Manufacturing:o TiO₂-containing solutions at specified concentrations, sulfuric acid solutions, and diluted acid solutions.● Pulp & Paper Industry:o Kaolin, feldspar, talc, quartz, MgO, CaCO₃, and other paper fillers.Bleaching agents, NaOH, and filtrates.






